图知网
搜索
首页
热门推荐
图片分类
b628升压 dc 5v--dc 12v 前端7805发热
下载原图
相关图片
bp2836d数据表pdf1pagebrightpowersemiconductorcoltd
bp2836d
简单小电台实验-其他光电实用电路图-电子产品世界
语音寻呼机电路图
b628典型电路图:锂电池输入,输出5v应用.
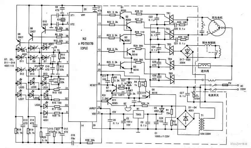
upd7507b在荣事达xqb38-92洗衣机上的应用电路图
为你推荐
武汉油画提高班学费_少儿美术培训价格_酷酷熊美术教育-培训帮
柳岩黄灿盛在一起了么 她为什么姓柳不跟父亲姓朱
餐厅设计背景墙图片 对枯燥大白墙say no!
lol手游蛮王出迅刃效果怎么样英雄联盟蛮王无限火力出装
用三角形画可爱小鸟,简单又好玩
"僵尸道长"林正英:生前留下四条规矩,至今仍无人敢逾越
柚子社人气角色pixiv插画图片
虎牙团子太敬业严肃和调皮并存直播间掌声不断