图知网
搜索
首页
热门推荐
图片分类
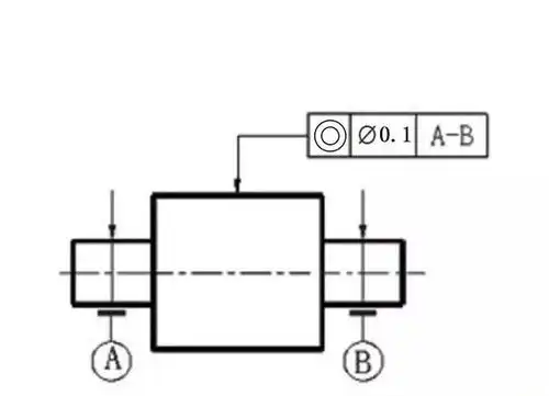
同轴度与同心度的测量方法
下载原图
相关图片
测量同轴度
打表法测量同轴度示意图
浅析三坐标测量同轴度方法
同轴度测量的同轴度的作用
同轴度如何进行测量?
用三坐标测量同轴度的方法总结【青岛三鼎】
为你推荐
【tfboys】告白thefever六周年演唱会全程
书画作品展标签doc2页
珠心算口诀表
阴雨天.
迪丽热巴晒最新自拍,下颌线好绝,又美出新高度了_新浪新闻
人潮汹涌|刘德华|春节档_新浪新闻
让更多莱索托农牧民走上致富路
鸡胸图片