图知网
搜索
首页
热门推荐
图片分类
实验设计流程图1.doc
下载原图
相关图片
试验流程图
实验室流程图
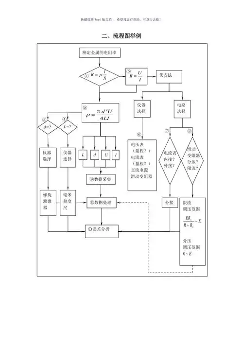
实验流程图举例参考模板
相应的实验过程如下,回答以下问题
实验设计流程图1.doc
临床试验流程图
为你推荐
影视歌坛两开花的优雅老戏骨盘点演员江珊31年的容貌变化
五大奢侈品包包logo,你喜欢哪个? -.,路易.
牛鸿亮老师作品欣赏#国画也抖音 - 抖音
真果沁 现货 新鲜八棱丝瓜 棱角丝瓜 蔬菜线瓜 带棱丝瓜 1500g【图片
王者荣耀武则天女帝无水印高清同人壁纸
03结核筛查皮试77ct胸片
陆航部队最新型武直-9wa武装直升机静态展示
注意啦线条小猫咪白色文字卡通注意了表情包