Warning: session_start(): open(/tmp/sess_en2tan56rci3gp3d1f55acnmq6, O_RDWR) failed: No space left on device (28) in /www/wwwroot/www.tuzhiw.com/config.php on line 13

Warning: session_start(): Failed to read session data: files (path: ) in /www/wwwroot/www.tuzhiw.com/config.php on line 13
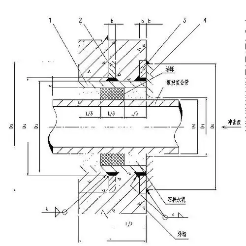
人防通风密闭套管主要用于和手动密闭阀门,手电动密闭阀门和超压自动 - 图知网

人防通风密闭套管主要用于和手动密闭阀门,手电动密闭阀门和超压自动

相关图片

为你推荐

杨洋i人e狗

胃的解剖结构

邓伦干净帅气壁纸_新生代偶像邓伦

和晨光一起,寻找最美樱花季!

图5 《超级马里奥兄弟》中的人物"马里奥"(长1670宽12的像素画

水韵尚城水韵尚城地处成都西门—"金温江",占据大学城门户地段.

新来的表情包史上最全版

高档冬新款海宁毛狐狸毛皮草外套长袖短款女洋气年轻款新款驼色l


Warning: file_put_contents(/www/wwwroot/www.tuzhiw.com/cache/image/ae1625f6e8b7d9958f9eb72df0cfcf7a.html): Failed to open stream: No space left on device in /www/wwwroot/www.tuzhiw.com/config.php on line 196