图知网
搜索
首页
热门推荐
图片分类
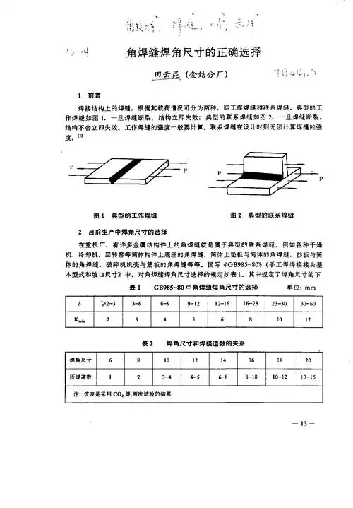
表2-2 角焊缝最小焊脚尺寸表2-2为不同厚度的低
下载原图
相关图片
第3节 焊缝外形尺寸检验
看看,自己对一下
四,焊脚高度测量 用尺的工作面紧 靠焊件和焊缝, 并滑动高度尺与 焊件
云南焊工培训角焊缝的基本知识
平角焊焊接基本操作技术.doc
科普焊接—焊接接头的设计1
为你推荐
(2)在女性的卵细胞中和男性的精子中各含有 条染色体.
钢琴谱|《solo》blackpink jennie个人单曲
九尾妖狐阿狸2020特效更新全皮肤浏览skinspotlight
彩虹呀!
2017年上半年废气检测报告
日本天皇退位,但日本皇室女性的相同命运,却一代代传了下来.
中国真正厉害的交易员:筹码分布怎么看?此文讲得一清二楚
马桶有排泄物温州精装房到底经历了什么祥生地产回应