图知网
搜索
首页
热门推荐
图片分类
5t one
下载原图
相关图片
纯电mini姗姗来迟,还有机会吗?
mini countryman全系热销 优惠达3万
吉利熊猫mini #适合女生代步通勤的小型车推荐 太可爱了 - 抖音
国内迷你车都有哪些车型
车型在售车型售多地mini浙江省湖州市吴兴区湖织大道818号1幢-14s店
了广泛关注,如今宝马旗下的mini品牌也迎来了全新燃油版车型的亮相
为你推荐
故宫博物院之金丝铁线哥窑瓷器鉴赏
人间沙雕实力上线,和雷佳音隔空互怼太搞笑#郭京飞 #雷佳音 #李光洁
河南开封龙亭公园风光
斜捺的写法
怎么画好看又漂亮的小花,分步骤教你画一朵好看的小花
史莱姆中文莱姆pcsteam平台国区游戏牧场slimesteam
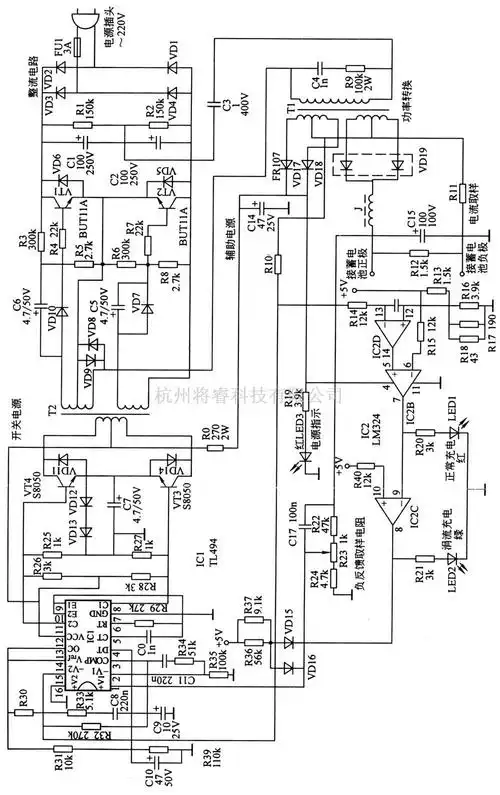
充电电路中的电动自行车佳腾充电器电路图
矢量蔷薇花边