图知网
搜索
首页
热门推荐
图片分类
mc14094bcp参数datasheetpdf下载
下载原图
相关图片
消防- 热门商品专区
mc14081bcl pdf
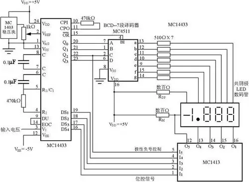
mc14433cd4511mc1413mc1403应用数字电压表电路图
mc14066bcpg 引脚图
mc14053bdg 引脚图
芯片引脚及主要特性mc6828等中断优先级控制器
为你推荐
黄子韬直播超霸气回应如何面对校园霸凌!字字有理网赞三观很正
壁纸 | iphone 深景壁纸(4k高清)
工业设计手绘
知行合一书法图片
漫画创作第二章条漫排版与布局
超声经颅多普勒
西游记简笔画教程 西游记简笔画步骤
运动鞋设计手稿欣赏