图知网
搜索
首页
热门推荐
图片分类
动漫头像十月新番干物妹小埋2自截
下载原图
相关图片
干物妹小埋头像
动画人物小埋 - 抖音搜索
干物妹小埋 #闺蜜头像兔宝 :用[doge]查看更多评论笔记作者正义使者
干物妹小埋自截头像
干物妹小埋头像266
干物妹小埋闺蜜头像系列78望喜素质拿图点赞爱您
为你推荐
冰上的尤里维克托高清宽屏壁纸
做人,堂堂正正,不玩心眼;做事,本本分分,不亏良心
瑜伽体式图片用喜欢的方式生活就是年轻
张大千人物作品欣赏(一)
猫婆正宗重庆小面
2023年红双喜南洋经典香烟多少钱一条
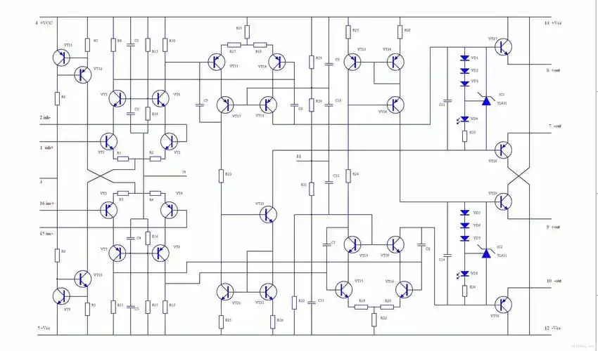
全平衡新甲类纯后级功放
歪把子轻机枪日本人自己都嫌弃的武器确成了八路军杀敌利器