图知网
搜索
首页
热门推荐
图片分类
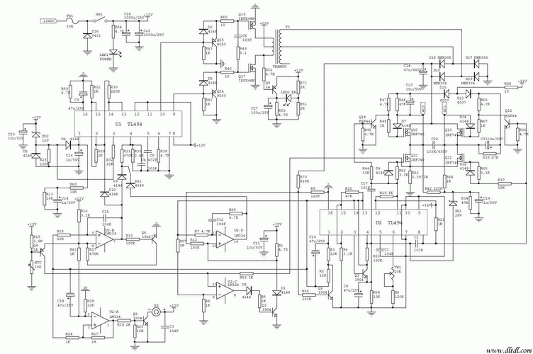
逆变器工作原理电路图.
下载原图
相关图片
diy一个12v转220v的逆变器,分享其原理图
直流变交流的逆变器的技术检查
24v转12v电路图
逆变器电路
逆变器电路10
逆变器电路2
为你推荐
兄弟萌,有鬼刀的超清壁纸嘛? - 知乎
疯狂猜成语:你知道"六亲不认"是哪六亲吗
电箱吉他民谣演奏级全单
a特优生》 本回答由
北京城市夜景
第二十四届塑料博览会展会现场.人民网 陈陆洵摄
0348英雄蔡永祥横幅设色纸本
绿地海珀外滩一期江景房116平税费各付