图知网
搜索
首页
热门推荐
图片分类
4注油管,5储油罐,6油位计,7抽(排)油管,8抽油泵,9抽水泵,10阻_接线图
下载原图
相关图片
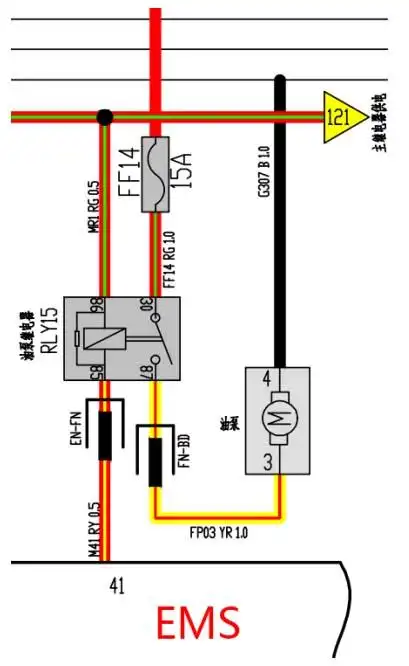
请教哪条是油泵控制线
8,查阅维修手册油泵电路走向b →ff14/15a→油泵继电器→油泵→搭铁
修建一蓄水池,用浮球开关或采用其它办法控制继电器再控水泵和电磁阀
cn201386894y_一种润滑油站事故直流油泵的启动电路有效
汽车油泵用一个常闭和一下个常开的继电器要怎么安装暗锁啊?
汽机直流油泵控制
为你推荐
魏晨_谢依霖_魏大勋
阿鱼简笔画小人
他与张韶涵,许绍洋,霍建华共同主演的《海豚湾恋人》
漂亮的幼儿园消防员灭火简笔画
工笔画临摹一一郁金香
喜欢的来吧#luxemporium睿锦尚品 #加拿大鹅 #大鹅羽绒服 #羽绒服
常荻曝最新写真 古铜色皮肤展型男魅力
鹅创彩色眉心贴古风汉服古装学校舞会表演额头贴纸防水防汗温和贴纸