图知网
搜索
首页
热门推荐
图片分类
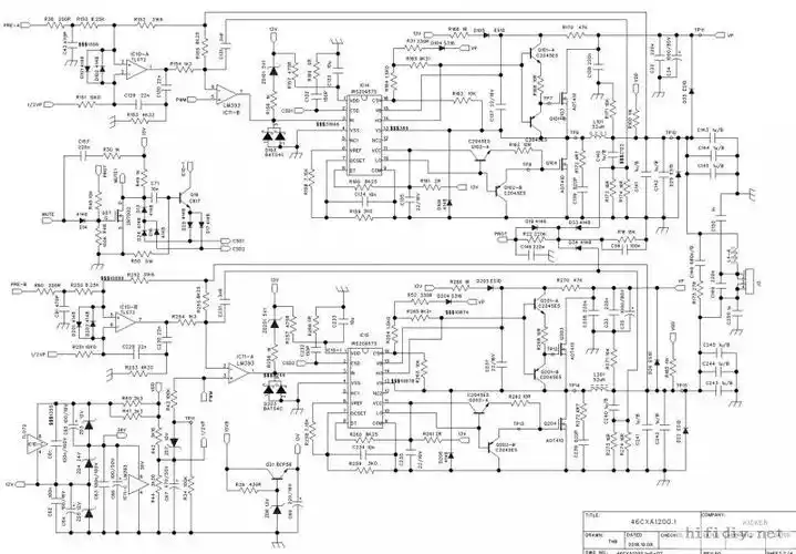
想做irs2092sd类功放有问题请教
下载原图
相关图片
[diy制作] 为什么irs2092的功放在输入端都加一个ne555
irs2092strpbf pdf下载及第4页内容在线浏览
高性能d类音频放大器驱动器auirs2092的主要特性及应用
高性能d类音频放大器驱动器auirs2092的主要特性及应用
【2007年9月irs2092受保护的数字音频放大器特点6161616161
有关irs2092无耦合有干扰的情况
为你推荐
"黄金配角"午马先生,一辈子没演过主角的他,生前却受众星敬重
正品brembo前六后四刹车卡钳定制版荧光绿布雷博
中国网昨天,外交部回应福岛储液罐或早已泄漏.
学会叠衣裤叠被子——东苑二(9)班五月德育作业
开光天然白水晶球摆件 镇宅转运辟邪招财风水球摆件熔炼白水晶球
盖天说:古人认知宇宙的天体论,是不周山与女娲补天的神话源头
全新正版2020苏教版高中语文书必修1一2二3三4四5五高中课本教材教科