图知网
搜索
首页
热门推荐
图片分类
比邻学员喜报西南交通大学研究生录取通知书已收到
下载原图
相关图片
你考上西南交通大学的那年,通知书长什么样? - 知乎
来日方长,和所有#研究生录取通知书 #西南交通大学 - 抖音
西南交大录取通知书
西南交通大学终于发研究生录取通知书了
西南交通大学计算机研究生录取通知书
西南交通大学录取通知书开箱(袋),传言中豪华升级的通知书长这样
为你推荐
刘亦菲#高清壁纸 神仙姐姐 - 抖音
良渚文化玉琮
不讨好任何的冷漠
李奈映
窦骁,奚梦瑶亲密合影曝光!
prada普拉达杀手包中号
这个花叫滇常山
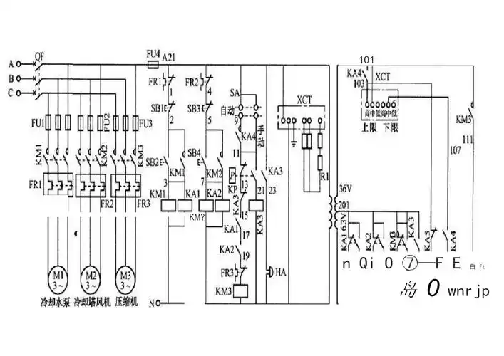
小型冷库安装的电气控制电路原理讲解