图知网
搜索
首页
热门推荐
图片分类
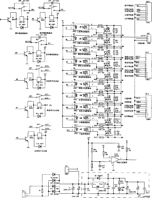
麻将机主板解说7.jpg
下载原图
相关图片
电动麻将机主板图.pdf
思泰st4100自动麻将机电控板电路原理图
麻将机主板解说7.jpg
麻将机主板功能详解
一种互联网麻将机自动娱乐系统的制作方法
请教各位大神
为你推荐
十国纸币 外币套装10国10张外币外国钱币 世界各国货币真收藏全新
检查标尺上机油油液的位置
【朱志鑫】《回答》05年高中生心动狙击_哔哩哔哩_bilibili
e大调夜曲钢琴谱肖邦
西港挣钱西港花女声配音教程怎么制作?
求大神给我设计一个一共十排的qq分组 要男生用的 不要啥非主流啥爱情
金刚石磨头3mm小型金刚砂打磨头工具金属翡翠玉石抛光电动内磨头
门票中国庐山观音桥塑料票完整有副券