图知网
搜索
首页
热门推荐
图片分类
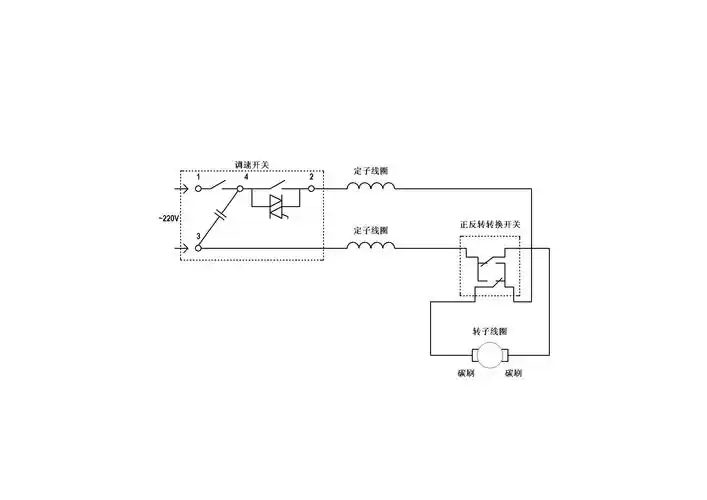
普通立式钻床的电气控制图
下载原图
相关图片
求钻攻两用机控制电路图
原手电钻改调速调向电钻如何接线?
z525型立式钻床电路
3080钻床电路图
冲击钻接线电路图
z525型立式钻床电路
为你推荐
公牛体力决定命运,凯尔特人有心无力
usb接口进化史:usb1-usb4
虫儿飞简谱
某女儿墙cad详细设计图
王者荣耀:盘点关羽性价比最高的皮肤_技能_设计_风格
海龙镇多措并举开展学习贯彻《信访工作条例》宣传周活动-梅河口市
窦骁5月22日 21:20精选内容snowman组合超话目黑莲超话【fineboys
面横裂 2010年