图知网
搜索
首页
热门推荐
图片分类
胡杏儿性感女人味街拍图片桌面壁纸
下载原图
相关图片
胡杏儿性感写真高清电脑桌面壁纸
胡杏儿 - 堆糖,美图壁纸兴趣社区
美女明星胡杏儿气质写真图片桌面壁纸
胡杏儿性感写真高清电脑桌面壁纸
美女明星胡杏儿清新时尚写真图片桌面壁纸
胡杏儿性感女人味街拍图片桌面壁纸
为你推荐
境界的彼方 境界の彼方 栗山未来 二次元 动漫 动画 人物 封面 插画
唯美有意境,深度好文,值得收藏 - 普茶网
白衬衫 牛仔裤,春季清爽减龄的穿搭造型,简约舒适又好看!
遗世而独立,古风,插画,半朵爱古风,漫画卡通,卡通漫画,古装美人,穿越
教你画简单的天坛简笔画,一学就会#一起学画画 #快来和我一起 - 抖音
名侦探柯南#安室透# [twi:rkgk_56]
圆形发光logo定制形象墙带灯标识背发光标志形象招牌led发光字
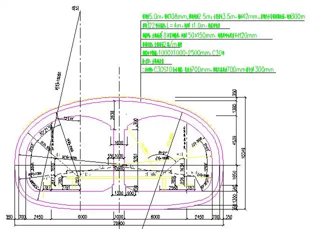
[广东]淤泥细砂层较厚区地铁工程施工技术总结211页(四层岛式车站