图知网
搜索
首页
热门推荐
图片分类
细数上古那些不同时代的 海洋霸主!
下载原图
相关图片
那么作为海洋霸主
大明水师有多强悍?暴揍西方两大海洋霸主,堪称古代最强海军!
古代海洋5大顶级掠食者最强者咬合力可达20吨超过了霸王龙
古生代海洋霸主邓氏鱼,咬合力超强一口吞掉鲨鱼(顶级)
海洋霸主海洋生物简笔画古代洋巨兽简笔画50个海洋生物的简笔画教程
认识一下9大远古海洋霸主
为你推荐
斗罗大陆:唐三的八蛛魂骨才是真正的bug,三次强化后变成了装甲
yvespedneault超写实风格黑白人物肖像画作品
很多姑娘避之不及的它竟对女性健康有这么多好处
taylormade/泰勒梅 高尔夫球杆original one mini 男士一号木发球木
年二十八,洗邋遢,这些伤,最易发!两动作,解疲乏
seafood chilli sauce#泰国海鲜辣酱,微微酸,配各种海鲜很美味!
阿难迦叶790_09.jpg
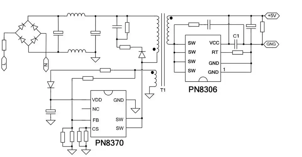
5v开关电源芯片pn8370mpn8306m5v2a六级能效充电ic方案