图知网
搜索
首页
热门推荐
图片分类
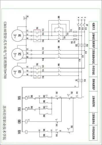
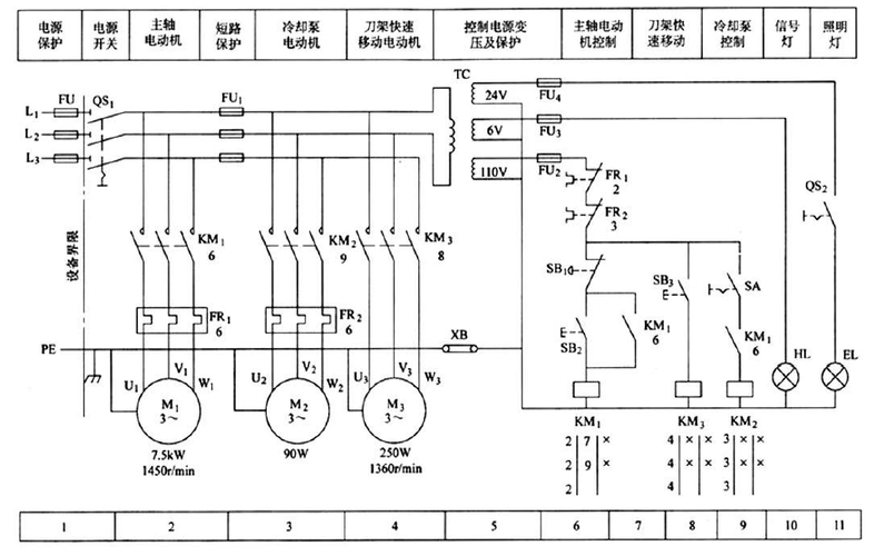
c6140型普通车床电气电气故障图ppt
下载原图
相关图片
c6201型普通车床的电气控制图解
ca6140车床电气控制线路
浅谈ca6140车床电气控制电路故障的检修
无忧文档 所有分类 工程科技 电子/电路 c6140车床电气控制原理图 第1
cw61100e普通卧式车床电路图
c630普通车床控制电路
为你推荐
微信头像,大自然美景,每天换个好心情
本人闲置两台大众ea113发动机1 - 抖音
干货教程丨超详细的头部五官速写教材
9张欧美花臂纹身手稿 适合健身人士的花臂图 · · · #欧美花臂
埃菲尔铁塔铅笔线条画
少女无缝模式与冠,玩具,泰迪熊,脸矢量图粉色背景照片
刀下生刀下死男刀玉剑传说动态壁纸
求篮球的球场各区的具体划分!要在图上解!