图知网
搜索
首页
热门推荐
图片分类
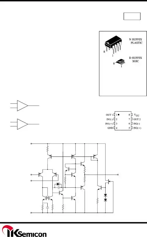
4558运放引脚功能介绍
下载原图
相关图片
il4580pdf文件及第1页内容在线浏览
关于耳放(耳机放大器)的运放和您的健康以及听力损害
il4580d参数datasheetpdf下载
集成运放的管脚图及符号 f007管脚图 符号 8 7 6 5 a u- - f
经典运放实战运放十坑之二后5坑
4558和4580运放哪个好4558单电源运放电路图2022已更新今日推荐
为你推荐
柳树叶简笔画步骤图
自喷漆家用家具防水铁皮茶几红色酒红桑塔纳红橙红猩红铃木红夏利
脏脚或脚跟干裂分离对白色背景,医疗或脚人民的健康,医疗中心的高跟鞋
超简单的袋子简笔画步骤图垃圾袋子的简笔画
手绘二人相声舞台表演元素
抑郁的概念.
doc 23页
bv编织包限时折扣