图知网
搜索
首页
热门推荐
图片分类
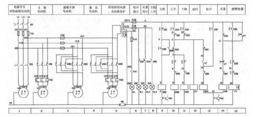
zdy3200s型钻机液压系统原理图
下载原图
相关图片
基于z3040摇臂钻床主轴变速系统的液压改造
z3050摇臂钻床电路原理跟维修.doc
z3050×16/1沈阳中捷摇臂钻床电气图.那位大哥有,发给我 非常感谢!
z35 摇臂钻床电路图 中捷1974.06
z3050摇臂钻床电气原理图
z3040摇臂钻床的plc改造
为你推荐
伊能静否认整容称只是戴了牙套,理由跟杨颖一样,你们信吗?
励志拼搏努力的句子( 心灵鸡汤经典语录励志 )
家中有庭院的,必然要砌个鱼池,不仅那么审美观念,还能带来好运
奖杯简笔画图片大全作品五
湖南的奇峰仙境山水风景赛桂林被称作中国丹霞之魂
寿光二手长安面包车交易价格 二手面包交易就找平安二手车
有关母亲节的古诗歌颂母爱最美的诗句
圣诞涂装来啦.#巅峰极速gtr弹射起步 #巅峰极速涂装 - 抖音