图知网
搜索
首页
热门推荐
图片分类
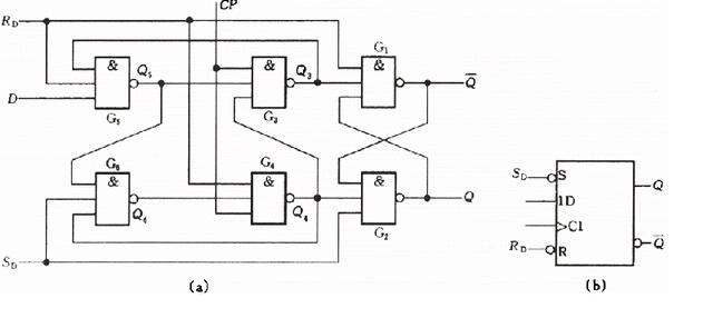
d触发器q端的输出波形数字电路d触发器
下载原图
相关图片
d触发器
时序逻辑电路的基础知识(结合verilog)
数字逻辑电路之触发器 - 文稿网
边沿d 触发器的逻辑图和逻辑符号 第1页
数字逻辑复习——触发器
第4节d触发器
为你推荐
才送走李钟硕,又泪别朴炯植,朴炯植今日低调入伍!
男生烫个"纹理烫发型"吧,真的很帅!
【壁纸官】海绵宝宝精选壁纸 001期
老鸦柿果型分享
凹凸世界
卡游奥特曼卡片荣耀版第20弹二十一盒正版10元卡包德凯shr卡牌brc
古达中国结福禄葫芦桃木挂件客厅福字玄关乔迁新房家居装饰墙上
拉丁舞服装女童舞蹈服六一儿童表演出服连体中小学生比赛考级 白色