图知网
搜索
首页
热门推荐
图片分类
白腹海雕是大型猛禽,翼宽长型,尾短,头部,颈部和下体都是白色
下载原图
相关图片
猛禽版 鸟网
大雕展翅 - 猛禽版 鸟网
大雕,鸟,狩猎战利品,塞,夜间,视图,猛禽
美国国鸟大型猛禽白头海雕猎捕湖鱼拍摄记
林雕为隼形目鹰科的鸟类,是一种中型猛禽,全长约75厘米.
大雕大雕猛禽栖息在树枝上.
为你推荐
鹿晗创造营2020
谢霆锋今天是锋味派##青年派计划##谢霆锋背头西装造型
德国文岑巴赫镇小教堂_德国建筑_国际频道_21世纪建筑设计网
正符号加号
【三分菇子の穿衣教程】英雄联盟灵魂莲华千珏教程
jennie[超话]##jennie头像
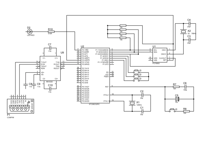
有实物图 19 附录: 元器件清单 电路 原理图 实物图片 4 1 设计任务和
悲喜面具天官赐福