图知网
搜索
首页
热门推荐
图片分类
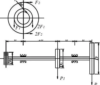
理论力学第1章3-例1轴力图
下载原图
相关图片
高等教育 工学 材料力学复习例题答案ppt 材料力学复习题 作轴力图
试作图示各杆的轴力图
1 50n 3 30n 10n n 轴力图 30n -20n 10n x
日本jis车轴的受力简图
分析,判断设计题目的已知条件和所求问题,画出受力分析简图和内力图
材料力学轴力图经典题
为你推荐
《后来的我们》
樱岛麻衣#助我上热门#
tfboys分享170420王俊凯登封五月刊英语街助力学生学英文
最美早晨好问候祝福图片表情带字,最美最暖心的早安问候祝福语图片
the k2##金济夏##池昌旭
卡地亚18k玫瑰金手镯4钻男19号
广东省行政区划图
程潇海底泡泡大片清新浪漫蓝紫色蝴蝶发饰超吸睛