图知网
搜索
首页
热门推荐
图片分类
脖子上有像淋巴一样的东西,照了彩超.什么意思严不严重?
下载原图
相关图片
颈部淋巴结内偏高回声考虑什么
颈部淋巴结的超声诊断
请帮我看一看,我的颈部淋巴结超声检查结果,是不是肿瘤的可能性
有懂淋巴结肿大的小伙伴吗 左锁骨窝,以及左侧脖子的淋巴都肿大了
遇到这样的颈部肿大淋巴结,你怎么考虑?_患者
2岁小儿,颈部多发淋巴结肿大. - 超声医学讨论版 - 爱爱医医学论坛
为你推荐
《仙剑奇侠传7》冽风谷叶灵纵玩法攻略分享
致敬……张国荣
高质量个性漫画帅气男生头像85张_男生动漫头像_头像屋
"词之以恒,英有尽有"——托里一小开展英语单词卡片设计比赛
清代乐器竹笙保存完好
"打仗再叫我!"军人笑别战友,一转身泪如雨下
平面 巴西足球宣传海报
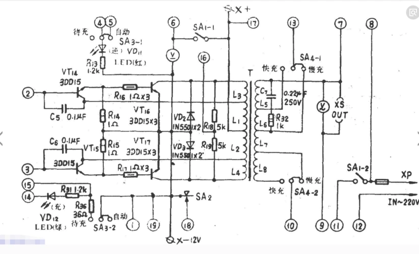
上面就是自制5000w家用逆变器电路板和图线.