图知网
搜索
首页
热门推荐
图片分类
燕京啤酒的特点
下载原图
相关图片
燕京啤酒
燕京啤酒
燕京啤酒半年报发布,业绩双增长,"四大天王"位置提升
燕京啤酒新媒体广告海报
燕京啤酒车体广告图片
燕京啤酒以质取胜,研发实力是立本之基 - 海报新闻
为你推荐
古装剧独孤天下精选高清人物剧照影视壁纸下载
来看看我的大肚照,24周零3天的大肚照,宝妈们发发大肚照吧!
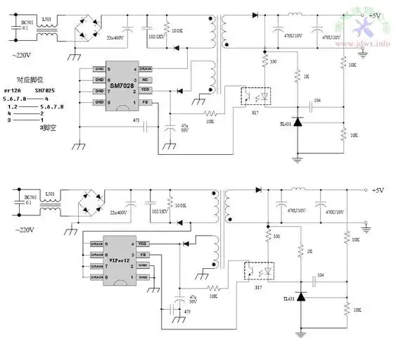
sm7028美的电磁炉电源芯片
一种大尺度园林景观平面图中行道树的绘制方法与流程
抗战时八路军战士吹冲锋号照,站高处吹响冲锋号,看着就激动人心
秉桐中小学生四季校服棉北京四中同款外套长裤 秋北京四中长袖t恤 不
来看看从哪一家打卡泉州标志性古建筑更好看
五菱宏光s1版块