图知网
搜索
首页
热门推荐
图片分类
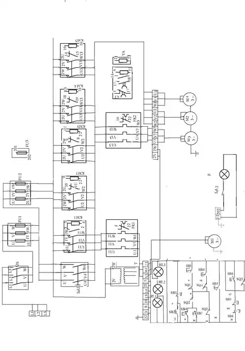
110kv降压变电所,进线2回,10kv出线8回,单母线分段,两主变两所变.求电
下载原图
相关图片
电气接线图怎么画_接线图分享
配电柜接线实物图 一般是构成低压林按电气接线
【画电气一次主接线图 】 求大神指路 手画草图也行 类似现成的也行_
g607型圆锯床电气接线图(3)-嵌入式系统电路图-电子产品世界
99例电气实物接线高清彩图,总有一例是你不知道的!建议收藏
供电课程设计,一次部分电气设计主接线电路图_文档下载
为你推荐
我突然发现,每个称上面都会注明最大称量的重量,这个体重称最大能称出
pop海报设计
陌茗奇妙 #流量流量 #傻茗 #刘耀文 #陌寻.
第五人格 爱哭鬼 lofter 画师 大概是个st
宋茶茶个人资料和演过的电视剧 宋茶茶老公是谁
【鬼怪】原版《stay with me》钢琴谱 简谱_琴谱_韩剧_novotel
使用天文改机加柔焦滤镜拍摄到的大熊座——北斗七星.
小清新冬日美女头像