图知网
搜索
首页
热门推荐
图片分类
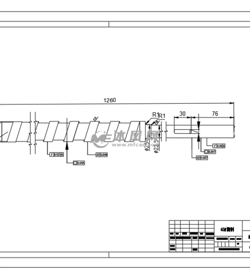
可视化双螺杆挤出机设计- 设计方案图纸 - 沐风网
下载原图
相关图片
资料全套-双螺杆挤出机(挤出粉末)的设计【10张cad图纸】
单螺杆挤出机结构及主要零部件
cn102205620a_差速锥形双螺杆挤出机失效
一种新型结构的双螺杆挤出机
单螺杆挤出机11111下载(81.43 kb,dwg格式) 机械cad图纸
一种新型螺杆挤出机的制作方法
为你推荐
妻管严专用情侣动漫头像
郑恺也是众所周知的"老烟枪"了,私底下经常被抓拍到抽烟的郑恺
【3dmax建模】新手建筑小场景建模教程
韩国插画师chongtak笔下的帅气大叔
蚩尤是上古黄河下游东夷部落的杰出首领.据.
服装换成了深色系,寓意从人间回到地狱,几乎每场温客行穿深色系的衣服
芮小凹凸##表情##新年##鸡年大吉##动漫##卡通
第74集,3~10岁简笔画//灯笼96 #亲子简笔画 #画个 - 抖音