图知网
搜索
首页
热门推荐
图片分类
礼物】咖宝车神重工战队儿童玩具六合体变形汽车机器人金刚男孩恐龙
下载原图
相关图片
咖宝车神变形玩具拼装蛋神儿童变形恐龙三角龙男孩全套柏纳正版
2022新款2022新款咖宝车神4巨兽时代变形恐龙机器人伽宝玩具暴龙迪瓦
正版咖宝车神蛋神霸王龙变身玩具蛋男孩恐龙蛋变形咖宝手表发声炫
咖宝车神变形玩具拼装蛋神儿童变形恐龙三角龙男孩全套柏纳正版
巨兽时代究极合体时间巨人暴龙重卡狮王恐龙变形玩具咖宝车神暴龙迪瓦
咖宝车神暴龙迪瓦时光巨人巨兽时代玩具狮王凯恩银鲨艾依变形恐龙霸王
为你推荐
自己生日搞笑文案朋友圈
火影忍者纲手自截头像可做情头
女生发型推荐-狼尾鲻鱼头
杜兰特标准跳投
璀璨星空,各放光芒一一樱园小学六年级四班学生风采展示(男生篇)
承太郎
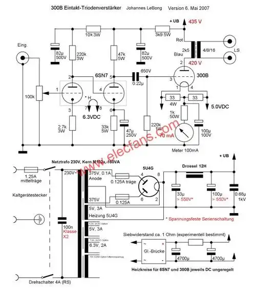
300b电子管功率放大器电路图
中式庭院最有格调的院子