图知网
搜索
首页
热门推荐
图片分类
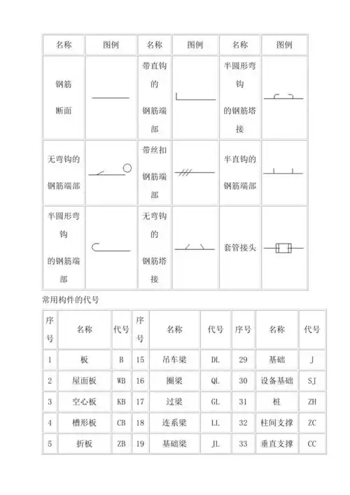
钢筋符号表示方法构件的代号
下载原图
相关图片
工程中常见钢筋图钢筋符号大全
建筑钢筋符号大全
最全钢筋符号钢筋表示方法零基础也能秒操作附钢筋符号字体
钢筋符号大全doc
工程中常见钢筋图钢筋符号大全
工程中常见钢筋图钢筋符号大全.pdf 13页
为你推荐
肖战x刘亦菲三生三世十里桃花情系三生为你而来
三个荧幕上的反派专业户戏中恶人戏外慈父
抽烟头像男生霸气十足_www.qqtu8.com
捷克国旗
kaws潮流壁纸
浅析叶罗丽第9季海报细节,以及预告中细节,大反派神秘仙子出现
ins草缸造景鉴赏n
学党史感党恩手抄报