图知网
搜索
首页
热门推荐
图片分类
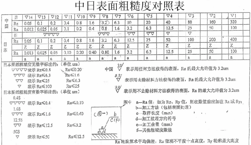
表面粗糙度对照表
下载原图
相关图片
表面粗糙度中日德苏标准对照表
新旧表面粗糙度对照
最新表面粗糙度等级对照表
【2012】表面粗糙度对照表【最新经典版】
表面粗糙度等级对照表模板doc
粗糙度对照表
为你推荐
呜呜终于300挖到了lisa的小黑鞋太好看啦同款
【蒙牛】随心脆冰淇淋雪糕5味共35支
纯色窗帘成品打孔挂钩式酒店遮光客厅落地窗卧室飘窗短帘挡光隔热
南宁飞北京航班要飞越那些省或直辖市上空?
campbuddy第一部 黑猴子游戏人工汉化来了 再也不用忍受机器汉化看不
大家长期寻找的大观园原型在哪?
周易经八宫六十四卦全图伏羲64卦天干地支先天后天八卦图装饰壁画
端午节传统五彩粽子香包车挂菱形串粽香袋挂件五彩粽子香囊装饰品