图知网
搜索
首页
热门推荐
图片分类
曦凰dh48s-s数显循环时间继电器延时1z控制器-2z两路定时开关220v24v
下载原图
相关图片
通电延时控制接线
时间继电器接线时间继电器的接线方法
延时开启——正转——停止——延时自动开启反转——停止.
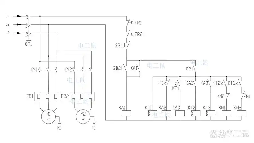
电机2时间循环继电器控制三台电机接线图双电机延时启动延时停止控制
24,零基础学电工-双延时时间继电器控制电动机间歇运行电路
86型人体感应延时开关可调红外线led灯声光控感应器楼道过道220v - 爱
为你推荐
动漫闺蜜头像二人可爱,什么都没换来我们的闺蜜情-姐妹头像
四十岁成熟稳重男人背影头像
杨紫琼由查理格雷为therakemagazine2023年2月号拍摄
开平自力村碉楼群
杨幂潮流时尚写真图片桌面壁纸
美军行动直击探秘82空降师
安古兰
家装最常用到的大理石汇总