图知网
搜索
首页
热门推荐
图片分类
专注森林forest 值得购买吗? - 知乎
下载原图
相关图片
forest专注森林强烈安利60学生党必备app
ios账号分享forest专注森林–专注自律
专注森林forest 值得购买吗?
app安利forest专注森林长时间种植灌木和种3h的树的小技巧
forest专注森林最新4105专业版摆脱依赖养成生活好习惯必备
forest专注森林填写邀请码得500金币哦
为你推荐
王俊凯亲话筒停不下来,真是让人哭笑不得
本期壁纸为"19天"
周雨彤1994年9月21号出生于安徽,毕业于上海复旦学校,2013年客串《巴
微笑的蒙娜丽莎 线描
哪里可以学老家肉饼技术
汉代碗
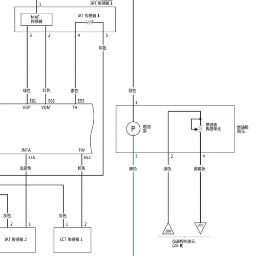
2017年东风本田思铂睿油泵四线电路图
极限运动冲浪高清桌面壁纸-高清壁纸-壁纸下载-美桌网