图知网
搜索
首页
热门推荐
图片分类
五颜六色的郁金香图片桌面壁纸
下载原图
相关图片
创意设计五颜六色唯美背景电脑壁纸图片大全下载
五颜六色的秋天山山风景场面在白云岩
时尚绚丽多彩ppt五颜六色彩虹绘画活泼色彩唯美文艺个性ppt模板
唯美梦幻风景壁纸头像:多彩森林 彩虹山谷 五颜六色的世界 本期主题
创意设计五颜六色唯美背景电脑壁纸图片大全下载
五颜六色的背景图
为你推荐
奥特曼男生头像 高清好看奥特曼帅气的头像合集_动漫头像_头像屋
可爱女生头像卡通呆萌q版
上海房产网>上海小区>松江小区>泗泾小区>泗泾颐景园>
m开头的奢侈品包包纯天然小牛皮包身搭配柔软的皮质手柄
凹凸世界自设模板 凹凸世界自设模板随便拿787878
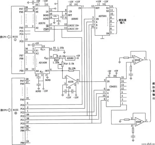
微型机数据采集系统电路(ad7501,ad582,ad1408)
2022年留学生落户上海最新政策超详
中免精品小熊猫绿的