图知网
搜索
首页
热门推荐
图片分类
柴油发电机组外部接线,接地,电瓶接线图解大全
下载原图
相关图片
摩托车磁电机输出电压的调节
启动控制和励磁系统在柴油发电机组上的接线布置图
发电机接线图.jpg
摩托车高压线圈上连接的分别是什么线.谢谢
怎样识别劣质摩托车蓄电池连接线?_接线图分享
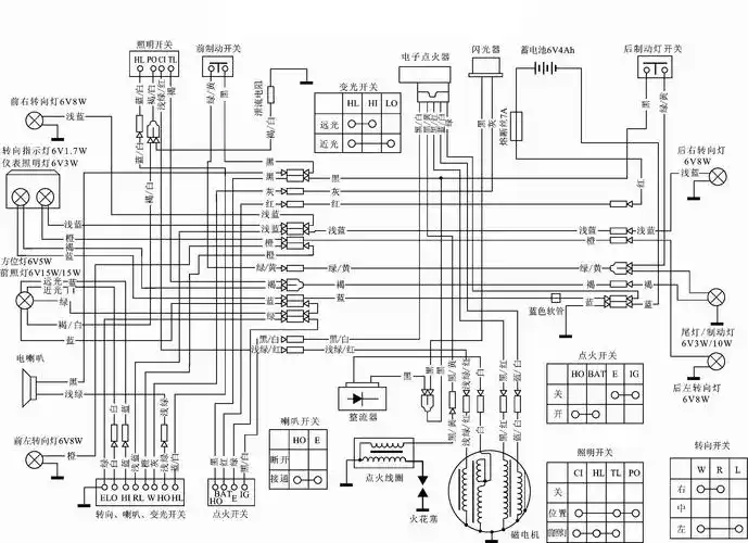
嘉陵jh50型摩托车电气原理图
为你推荐
原创52岁历经9段失败感情不婚不育的她比洪欣更惨却成逆龄励志曲
599990【二手正品】gucci古驰 酒神中号天竺葵花卉 单肩链条包
中牟县
新鲜鱼籽 鲤鱼籽 鱼籽新鲜 鱼蛋现杀鲜活淡水鱼子鱼
招聘启事范文
吊扇调速开关的接线方法这点很重要
赵小川词条图册_百度百科
硬下疳初期图片8