图知网
搜索
首页
热门推荐
图片分类
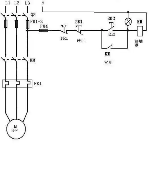
自锁开关电路图
下载原图
相关图片
自锁控制电路图
p>自锁电路是电路中的一种,一旦按下开关,电路就能够自动保持持续通
异步电动机自锁控制电路分析
一种自锁式电子开关电路的制作方法
接触器实现自锁控制的电路原理图
自锁电路电气与实物图纸对照
为你推荐
肖战与彭楚粤有着共同的起点,二人曾在青春励志节目《燃烧吧,少年》中
情趣制服 制服诱惑 兔子装 兔女郎 情趣内衣厂家 粉色 情趣套装
lisa_blackpink
内眦赘皮
和平精英安卓qq奇异狩猎者小号
李路导演力作《88路》热播 方芳表演获导演点赞
【魔女之旅~ed】可爱的屑魔女又要前往何处呢(4k 60帧无字幕优化版)
暂无