图知网
搜索
首页
热门推荐
图片分类
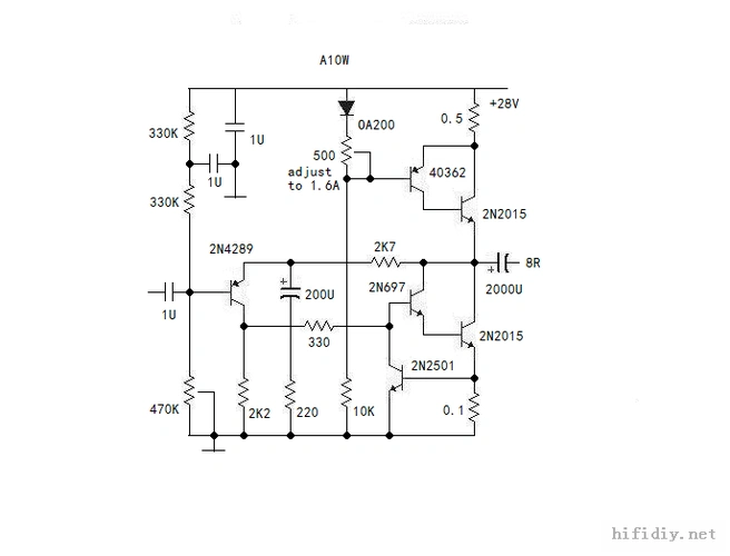
简洁靓声的mosfet单端甲类功放
下载原图
相关图片
50w超甲类功放电路
很成功很纯很简单的甲类功率放大电路欢迎大家仿制及分享
比1969还简单只有三只场效应管的甲类功放
发《一款全对称式场效应管纯甲类功放》电路图(上)
一款可作50w纯甲或150wab类的全互补对称功放
前几天有几位朋友对甲类功放感兴趣,刚好今天有空就设计了一个,自
为你推荐
胡须男大热的男士大胡子
鬼刀系列电脑壁纸第二弹
动漫美女王者荣耀高清手机壁纸大全
只"活"了两集,却备受赞誉的金靖,能否成为第二个贾玲?
一次性医用透气胶带15837355519
空山基无关未来的性感女神
中日友好医院国际部产后出院攻略:出生证明,产后复查_龙宝宝_新生儿
现代电梯主要由曳引机(绞车),导向系统,轿厢,门系统,重量平衡系统