图知网
搜索
首页
热门推荐
图片分类
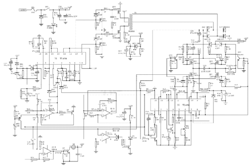
制作工频逆变器心得(新手版)
下载原图
相关图片
50hz逆变器电路图
初学者制作工频逆变器
逆变器电路图大全之一
初学者制作工频逆变器-信号处理电子电路图-电子产品世界
逆变器的电路图和注意事项
纯正弦波逆变器 1500w电路图
为你推荐
腾讯产品标志矢量素材
【黄石】2016年10月 大众 速腾 2016款 230tsi 25周年纪念版 自动档
男生怎么样的喉结最有吸引力?(最好用图片说明)? - 知乎
短发亮相的金巧巧,妆容精致,身材"姣好"
萌宠猫星人小兄弟警告呆萌可爱gif动图_动态图_表情包下载_soogif
欧美性感夜店恨天高17cm超高防水台粗高跟深口女单鞋模特舞台裸靴
一张图搞定g调音阶 g调音阶是非常重要的,实用频率仅次于c调.
2020年期末状元卷四年级数学上册福建专版答案