图知网
搜索
首页
热门推荐
图片分类
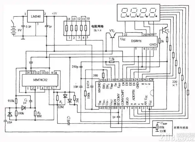
23-基于51单片机的智能电子秤设计
下载原图
相关图片
数字式电子秤电路图
体重秤原理图
单片机托盘式电子秤制作hx711
基于51单片机的矩阵电子秤设计
电子秤原理图 简单易懂
常用大河华鹰永州大阳兴恒友声电子秤台秤主板电脑版线路板通用配
为你推荐
邢菲手臂比心##邢菲日常穿搭plog
手受伤真实的图片带血 - 搜狗图片搜索
古风仙气飘飘女生头像
腾格尔:嗜酒如命致散尽家财,妻子暴走,老来丧女的他后悔了吗?
是全国最大的生产基地,,常年批发各种香瓜甜瓜,每年的三月份上市,品种
勒布朗詹姆斯头像
女子与野兽的组合,王大陆李沁吻戏遭调侃:大陆又要吃人了_照片_新剧
成都第四十九中学_2023年成都市四十九中学校初升高难不难-学校问答