图知网
搜索
首页
热门推荐
图片分类
(2)74ls194功能
下载原图
相关图片
图6-204 74ls192十进制同步加/减计数器图6-205 74ls194 4位双向移位
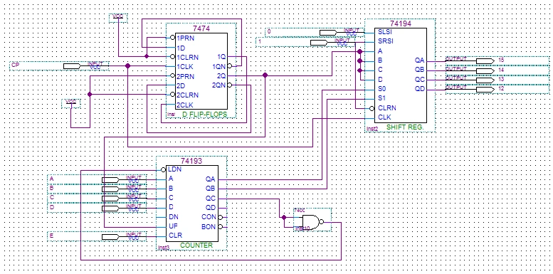
一,选用芯片74ls74,管脚图如下
实现对时钟信号的四分频,由d触发器74ls74构成
图14-1 74ls194(或cc40194)的逻辑符号及引脚排列
高等教育 工学 彩灯控制器数字电路实验报告 花型演示电路 :由74ls194
图6-194 74ls86 二输入端四异或门图6-193 74ls85 集成数值比较器图6
为你推荐
第1041首 - 祢的恩典_简谱_乐谱吧
动漫壁纸# #斗罗大陆# 白沉香
数鸭子歌谱及基本歌词简谱
【fate zero|卫宫切嗣】不存在的幻想
中国首台遥控全金属东方红推土机_高清_百度视频搜索
笛子筒音作1指法图
黑粉蝴蝶刷题笔好看的高颜值中性笔学生专用文具用品速干按动水笔
橄榄枝怎么画-图9