图知网
搜索
首页
热门推荐
图片分类
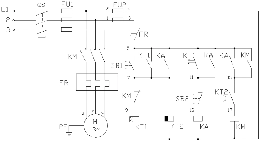
25,零基础学电工-按下停止按钮电动机延时停止电路(仿真图)
下载原图
相关图片
两台电机第一台启动后延时启动第二台,停止时第一台停止,第二台延时
电机延时启动 三相异步电动机延时启动,要求按下启动按钮后5min后电机
电动机延时启动的两种接线方法原理图解
3.1三相异步电动机延时启动,延时停止控制电路安装调试
电动机延时开机的间歇运行电路
延时启动的电路
为你推荐
古装金晨,好好看啊!狠狠期待了啊! cr - 抖音
黑白禁区角色海报
厉行节约,拒绝浪费—小溪河镇中心幼儿园爱惜粮食倡议书
登封观星台旅游攻略,景点简介-黄河票务网
薛之谦 - 意外 杨子朴 歌谱简谱网
杜华孟美岐吴宣仪程潇合照##芒果娱乐
桑尼版 田馥甄《小幸运》尤克里里弹唱谱
美爆了的丙烯颜料风景画,不看看吗