图知网
搜索
首页
热门推荐
图片分类
中年不油腻老年有气质69岁的他活成了男人典范|气质|坂本龙一|穿搭
下载原图
相关图片
邬君梅和坂本曾热恋过网友们都说好羡慕
坂本龙一和邬君梅曾热恋过2年坂本龙一曾有几任妻子
邬君梅和坂本曾热恋过?网友们都说好羡慕
邬君梅昔日受访视频被扒,疑曾与坂本龙一热恋?如今50岁活得更自我!
邬君梅聊感情经历,疑似与坂本龙一热恋过,还有陈冲录的视频为证
"因为坂本龙一的去世 - 抖音
为你推荐
36岁模特张梓琳喜怀二胎大女儿长相清秀像妈妈孕期护理是关键
释迦牟尼佛像海报佛光普照如来佛祖画像中堂画装饰壁画墙贴佛像画
男性,伤心,崩溃,情伤,分手,男人,忧郁.(图/视觉中国)
【贝基特超3】瓦楞纸做一把匕首,漂亮不漂亮我说的不算.
ev vda-355(l )方形铝壳电池模组
94眼肌运动训练法可以运动眼外肌与睫状肌,可以缓解眼部疲劳,可以
田野怎么画
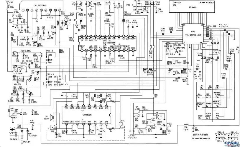
发一张德生pl737收音机电路图