图知网
搜索
首页
热门推荐
图片分类
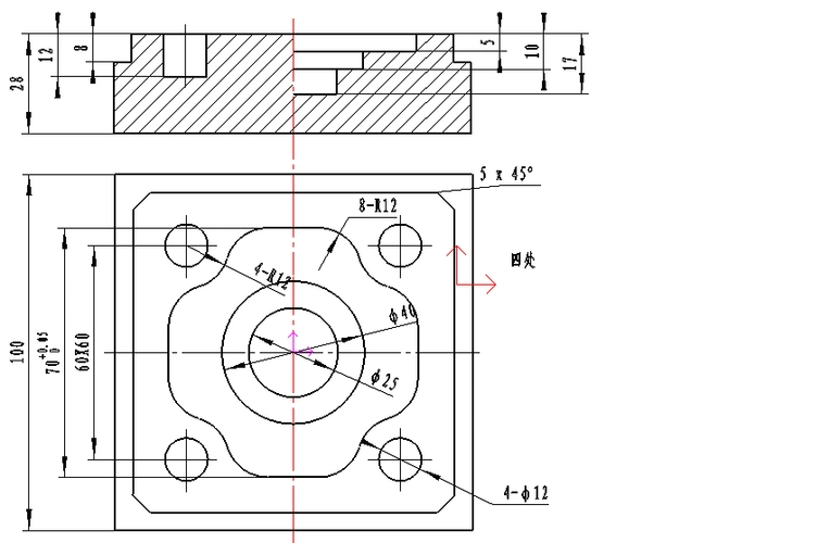
数铣图纸
下载原图
相关图片
随便车床还是铣床 2008-10-07 求动梁动龙门数控汤铣床图纸(交流学习)
介绍几张教学中常用到的数控铣床技能训练图纸
数控铣床加工中心软件应用图纸例题06
一种铣床制造技术
数控铣中级练习图纸-盘类零件答案
数控铣加工中心图纸1
为你推荐
男宝宝 26月 看看正常吗
回顾越南20岁单亲女孩为追求爱情独自一人远嫁湖南5年都是黑户
【上海】世博会博物馆|摄影|风光摄影|为为为清欢 - 原创作品 - 站酷
医疗行业大发展,解决全民等温输液使命势在必行!
泰星aump与男友hisopoke分手了好友表示曾经目睹两人发生争吵
优雅好搭秋冬季刺绣纯山羊绒针织帽贝雷帽保暖毛线帽子女士蓓蕾帽
爱迪生发明家初中生书包大容量多隔层背包男女高中学生简约双肩包 k
战神gtr