图知网
搜索
首页
热门推荐
图片分类
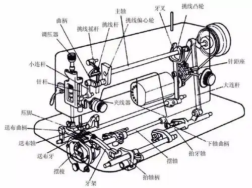
胜家974电动缝纫机说明书(一)
下载原图
相关图片
缝纫机内部构造图1859年,胜家公司发明了脚踏式缝纫机.从托马斯.
好好的缝纫机被我妈用的底线槽脱臼,没想到居然被我修好了哈哈哈,可以
beaustar 990缝纫机教学视频 - 4穿上线引底线
老式缝纫机底线缠绕解决
干货 | 新手拿到缝纫机要怎么做?【二】
老式蝴蝶牌缝纫机说明书
为你推荐
对身材好的美女来说,随便配条紧身裤就可以很惹眼_女孩_瑜伽_颜色
你们觉得女生把头颅后面的头发剃了怎么样?
斓曦时尚优雅写真图片
何姓氏壁纸沫纯原创
小丑,面具,快乐
学校简笔画图片大全 幼儿园学校简笔画小学学校简笔画图片
卡通清新绿色自我介绍经典创意高端ppt背景
小女孩,浇水,花,可爱,花园,夏天_高清图片_全景视觉