图知网
搜索
首页
热门推荐
图片分类
haier/海尔 bcd-342wdgy家用风冷无霜变频节能静音对开门四门冰箱
下载原图
相关图片
松下nr-c25vg2冰箱使用说明书:[1]
今日热点:海尔冰箱225和251哪个好?有区别吗?深度剖析揭秘
奥马homabcd203wh金203升两门双门风冷无霜冰箱快速制冷大冷藏静音
小编精选,历史低价: ronshen 容声 艾弗尔 bcd-650wd12hpa 对开门冰箱
海尔冰箱bcd-238wf前上方的几个按钮都代表什么?
容声冰箱bcd-218gs型使用说明书
为你推荐
手抄报水的三态
【书单】图片免费下载_书单素材_书单模板-千图网
大悲咒注音
新品上市手感超赞外观漂亮#lexus #丰田 #雷克萨斯 #toyota #汽车
小美人鱼gif爱丽儿gif迷人gif可爱gif红色长发gif
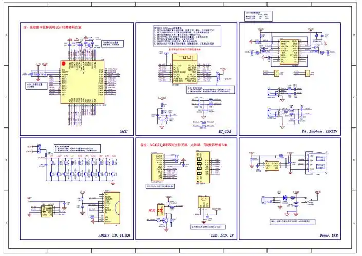
gc200系列usb host蓝牙音箱电路原理图
第1245首盟约
快乐农场动物的轮廓图片