图知网
搜索
首页
热门推荐
图片分类
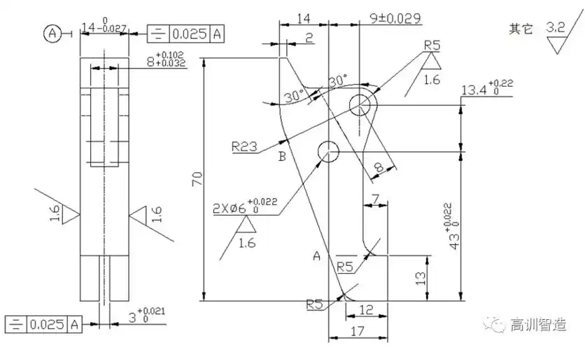
线切割实训图纸编程练习 - ugnx软件交流 - 铸造屋视频教程培训网
下载原图
相关图片
高训智造原创专业课堂第198期大钩子的线切割加工
电火花线切割加工培训
硅片多线切割方法-爱企查
caxa线切割画图 新手求教 如图 红线部分怎么画 在线等
用线切割控制系统怎么切这个!感谢!
怎么样用caxa线切割画出这张图?
为你推荐
安慰好友的悼词短信(三).docx
20 世纪 30 年代橡皮管动画风格第一人称射击游戏-mouse-『游戏设计
生日发朋友圈有趣文案九宫格(高级又有趣的生日文案)(4)
rado& 千元轻松入手高颜值手表 rado jubile系列 镶钻石英腕表60
上世纪60年代中国一拖根据广大农村需求而研发的东方红404拖拉机
素描静物零基础入门教程绘画步骤
圣诞老人乘坐驯鹿雪橇在天空飞翔照片
格兰杰18年威士忌雪莉单一麦芽glenmorangie苏格兰高地进口威士忌