图知网
搜索
首页
热门推荐
图片分类
臭氧射流器射水器快装式文丘里水射器气液混合器级不锈钢dn154分外丝
下载原图
相关图片
射水抽气器
w型水力喷射器安装示意图
>> 水射器(喷射器)
2℃,如果射水箱水温达到39.8℃,那么射水抽气器喉口
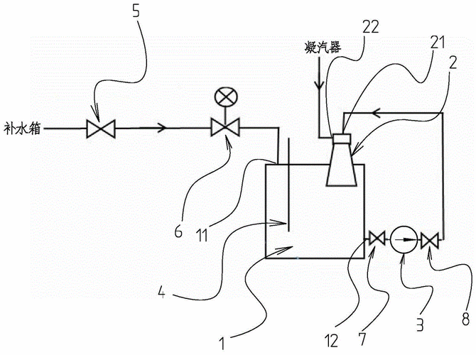
一种自密封射水抽气器的制作方法
去溢料高压射水循环系统
为你推荐
长河——凌家滩文化展"在跨湖桥遗址博物馆启幕_展览_中国博物馆_文物
可爱的q版海绵宝宝简笔画.海绵宝宝系列,都喜欢谁呢,有没有不 - 抖音
《我们的少年时代》 王俊凯 —— 邬童
第三讲 耳廓解剖部位的名称
王艳晴儿 - 堆糖,美图壁纸兴趣社区
可睡可躺单人网红懒人沙发科技布躺椅摇椅阳台家用休闲大人午休椅
小脚丫摄影阿豪的儿童摄影作品《小宝贝》
【gnz48王盈】dont touch(别摸老娘性感短腿版)