图知网
搜索
首页
热门推荐
图片分类
螺杆空压机维修配件mam6070触摸屏一体式控制器
下载原图
相关图片
华达永磁变频螺杆式空压机操作说明书电气接线图
螺杆空压机怎么安装远程遥控开关
空压机维修配件mam880一体式控制器
空压机亿控变频器专用控制系统
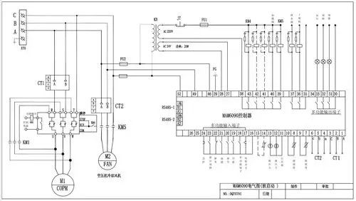
二级压缩螺杆空压机维修配件——mam6090触摸屏一体式控制器
空压机mamky02s接线图
为你推荐
脚丫子要翘上天了宝宝@tfboys-易烊千玺#四字 易烊千玺 yyqx 四字弟弟
灰棕色质感拉满显白高级的发色龙口染发
蓝色生死恋回忆旅程 - 泰花园 - 透明
何泓姗只不过在腰上系了一条长腰带竟美成了天仙攻厉害
鬼鬼桃花剑做的网红日式豆乳盒子蛋糕
须佐能乎(须佐能乎佐助图片)
基本练习 第八套 降b和声,旋律小调(选自武汉音乐学院钢琴考级教程
瑞虎7神行版尊享100元订金抵10000元_太平洋汽车网