图知网
搜索
首页
热门推荐
图片分类
鬼娃娃命名张柏芝能吓唬人.
下载原图
相关图片
国外搜集的一堆恐怖娃娃照片
国外恐怖恶作剧鬼娃娃玩偶吓唬清洁工,真不怕吓死人么恶搞视频
超人气恐怖玩具僵尸娃娃吓得我好想入手一个啊
万圣节电动行走鬼娃娃场景氛围布置装饰道具酒吧鬼屋密室摆饰
万圣节鬼屋逃脱恐怖电动走路鬼娃娃公仔声控感应鬼婴叫毛绒玩具
国外搜集的一堆恐怖娃娃照片
为你推荐
黎姿颜值巅峰有多美?连张柏芝都只承认黎姿比她漂亮_生活_电影_美貌
绝美绝美手机壁纸超赞男生动漫壁纸
ella机场变秀场,西装牛仔展少女魅力,太空刘海甜酷美到不敢认
北朝 东魏 北 魏 西魏 齐 梁 北齐 隋 北周 隋 北周 陈 陈 陈 宋 589
小猪佩奇最新第八季 来蔬菜城和土豆先生过圣诞节 简笔画
水王子全身图
18幼儿园招生宣传海报海报展板墙画写真喷绘369
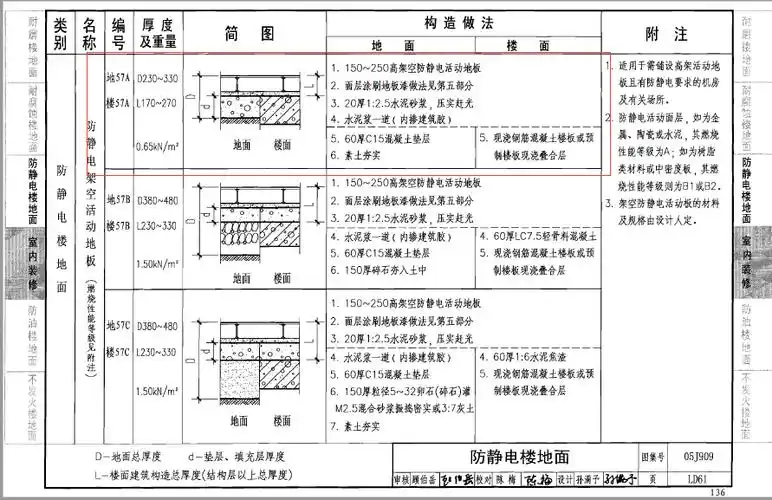
求图集05j909 楼57a做法截图,谢谢!-服务新干线答疑解惑