图知网
搜索
首页
热门推荐
图片分类
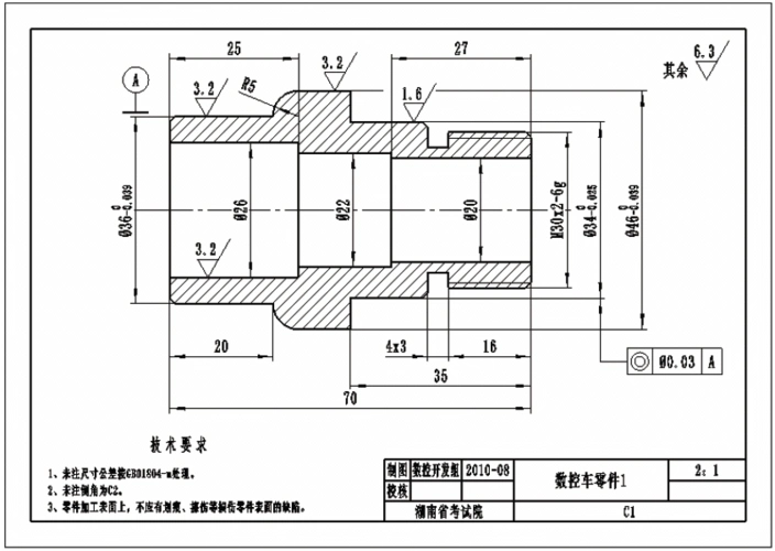
免费文档 所有分类 工程科技 机械/仪表 加工中心图纸
下载原图
相关图片
数控铣加工中心图纸1
数控铣,加工中心图纸(1)
机械加工图纸
机械制造工艺学课件第三章 3 2011年3月24日星期四 (二) 机械加工工艺
识图最全复杂的机械加工图纸
数控大赛数控铣加工中心图纸大全
为你推荐
抖音上很火的文案壁纸壁纸抖音热门文案建议保存
周韵才是真正有品位有气质的女人,连普通白衬衫,都穿出了国际范
20以内口算10页
统一茄皇新疆番茄鸡蛋桶面牛肉面方便面12桶整箱冲泡方便面
包郵 贵妃spa加大成人塑料泡澡桶 台湾进口keyway/沐浴桶/澡盆成人
罗大佑-你的样子吉他谱吉他弹唱谱 吉他谱
婴舒宝金钻棉柔透气尿不湿拉拉裤xl码68片【12-17kg】
积家大师系列q1323420超薄陀飞轮