图知网
搜索
首页
热门推荐
图片分类
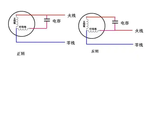
单相电机运行电容起什么作用(单相电机电容接线图)
下载原图
相关图片
2kw电机启动电容运行电接线图
单相双值电容电动机内部线圈接法
380v气泵的压力开关怎么接,求指点
低压电容补偿柜的一二次接线图
两个220v电机同时完成正反转怎么弄啊?附图
自行车气泵自控电路
为你推荐
110网首页 资料库 律师随笔 >> 查看资料 在当今, 离婚案件中关于
土豪开8000万的兰博基尼毒药参加聚会,接下来一幕霸气上演了!
熊猫疯狂暗示表情包 - 熊猫疯狂暗示微信表情包 - 熊猫疯狂暗示qq表情
1个加油创意可爱文字图钉按钉装饰毛毡软木图钉
拳皇夏尔米twiclickburgundy
中国红h5背景背景图片下载_1080x1920像素jpg格式_编号vjqfkwd41_图精
光遇虫儿飞简谱-虫儿飞钢琴谱图片分享-燕鹿手游网
桌旗陶瓷功夫茶具茶道配件茶桌垫餐垫隔热垫茶垫 盛世天下茶席-大号