图知网
搜索
首页
热门推荐
图片分类
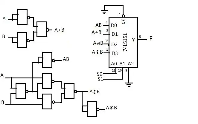
什么是组合逻辑电路组合逻辑电路的基本特点和种类详解
下载原图
相关图片
请高手帮忙画出以下表达式的逻辑电路图!
逻辑电路中有三个输入,怎么分析它的逻辑功能
数字电路逻辑式化简 f=s1非s0非ab s1非s0(a b) s1(s0非)(a(b非) a非b
全加器逻辑电路图
数字电路基础那些事2组合逻辑从异或门到半加器与全加器比较器
数字电子技术逻辑电路图问题
为你推荐
港风头像|每个女孩子都是小公主
2021秋冬西装上新
東匠刀剑 越王勾践青铜剑秦剑手工一体长剑唐剑纯铜古剑硬剑 未开锋
又萌又可爱的动物头像全部是小狗的共10张
五六十岁的女人别乱烫发,这几种卷发好看又接地气,减龄又显气质_发型
创意设计火焰图案炫酷手机壁纸-创意-手机壁纸下载-美桌网
又是爱惨pxx的一天731573157315我超级爱喝椰子,每次都
an ps-q表情包创作实战14-辛苦了图文教程